|
J45F46型襯氟直流截止閥的詳細資料:
◆產品用途
襯氟截止閥適用在-50~150℃的各種濃度的王水、流酸、鹽酸、氫氟酸和各種有機酸、強酸、強氧化劑,襯氟截止閥還適用于各種濃度的強堿有機溶劑以及其它腐蝕性氣體,液體介質的管路上使用。
J45F型襯氟直流截止閥詳細參數

一、性能規范
|
型號 |
公稱壓力PN(MPa) |
試驗壓力PS(MPa) |
適用介質 |
工作溫度(℃) |
|
殼體試驗 |
密封試驗 |
|
J45J/F46-6 |
0.6 |
0.9 |
0.66 |
W.非腐蝕性流體 J.一般腐蝕性流體 FS.強酸堿及各種有機溶劑(溶融堿金屬及元素氟除外) |
≤80 ≤150 |
|
J45J/F46-10 |
1.0 |
1.5 |
1.1 |
二、主要零部件材料表
|
零件名稱 |
閥體、閥瓣 |
閥蓋 |
閥桿、閥瓣 |
手輪廓 |
|
材料 |
HT200襯氟塑料、襯橡膠 |
HT200襯氟塑料、襯橡膠 |
35襯氟塑料襯橡膠 |
HT200 |
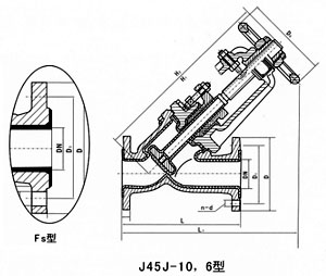
三、主要連接尺寸及重量
|
型號 |
公稱通徑DN(mm) |
尺寸(mm) |
質量(kg) |
|
L |
D |
D1 |
D |
H1 |
b |
Do |
n-d |
|
|
5 |
160 |
100 |
75 |
60 |
205 |
16 |
120 |
4-11 |
4.5 |
|
|
32 |
200 |
120 |
90 |
70 |
- |
16 |
160 |
4-13.5 |
13 |
|
|
|
|
130 |
100 |
80 |
250 |
16 |
160 |
4-13.5 |
14 |
|
|
50 |
230 |
140 |
110 |
90 |
290 |
16 |
160 |
4-13.5 |
16.5 |
|
|
65 |
290 |
160 |
130 |
100 |
310 |
16 |
180 |
4-13.5 |
|
|
|
80 |
310 |
190 |
150 |
125 |
358 |
18 |
200 |
4-17.5 |
36 |
|
|
|
|
210 |
170 |
145 |
428 |
18 |
200 |
4-17.5 |
50 |
|
|
125 |
400 |
240 |
200 |
175 |
510 |
20 |
280 |
8-17.5 |
68 |
|
|
150 |
480 |
265 |
225 |
200 |
550 |
20 |
280 |
8-17.5 |
90 |
|
|
200 |
600 |
30 |
280 |
255 |
635 |
22 |
400 |
8-17.5 |
146 |
|
|
250 |
730 |
375 |
335 |
312 |
|
24 |
|
12-.17.5 |
|
|